Adjustable Hinge Suggested Installation Instructions
There are two kinds of adjustable hinges: cam hinge and floating hinge. A cam hinge is for vertical adjustment. A floating hinge is for lateral (horizontal) adjustment.
- Hinges should be positioned vertically on door with pin tips pointing to the top of the door (see Figure 3).
Note: To change hand of hinge, remove pin, invert hinge, and reassemble pin.
Important: Adjustable floating hinges should be installed top and bottom. One adjustable cam hinge should be installed in the middle (see Figure 3).
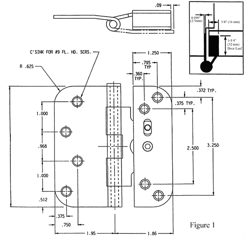
- Using template and hinge, trace leaf outlines and mortise to correct depth (see Figures 1 & 2).
- Mark screw locations, and drill 3/32" pilot holes.
- Fasten hinges (i.e., the thick leaf) to door with the longer screws.
- Position door in opening and fasten hinges (i.e., the thin leaf) to frame with shorter screws.
- If adjustment is needed, please follow the directions below: use the supplied Allen wrench to loosen the floating hinges' locking screws. The floating hinges should be located at the top and bottom of the door (see Figure 3)
For vertical adjustment, insert Allen wrench into the middle adjustable cam hinge's center cam, rotate Allen wrench clockwise to desired position.
For lateral (horizontal) adjustment, use all 3 hinges' lateral adjusting screws to adjust to desired position. Insert Allen wrench into each lateral adjusting screw, rotate clockwise to increase gap between hinge leaves, or rotate counterclockwise to decrease gap between hinge leaves.
When adjustments are complete, tighten locking screws of the floating hinges.
- If necessary, clean only with soft cloth, mild soap, and water.
| Adjustable cam hinge |
Adjustable floating hinge |

|

|
| |

|
| |

|

|
| Figure 2 |
Figure 3 |